LPC-16巡线传感器
产品简介
LPC-16巡线传感器,是光电漫反射式的巡线传感器,分为红、绿、蓝光器件三种型号,分别适用于不同的基色与线条颜色区分。三种型号传感器的光敏器件上分别设置有对应颜色的窄带滤光片,并且光源都采用调制光输出,使传感器能有效抵挡环境光的干扰,能在复杂光环境及强光环境下稳定工作。传感器具有环境标定功能,让用户能在新的环境下快速对传感器进行标定,使传感器立即适应新的环境,工作在最佳状态。传感器具有CAN总线及RS232通信接口。
图纸下载 | LPC-16巡线传感器
产品特性
- 红、绿、蓝光器件三种型号可选,最佳匹配用户的基色与线条颜色区分
- 调制光源,光敏器件带滤光片
- 环境标定功能
- CAN总线及RS232通信接口
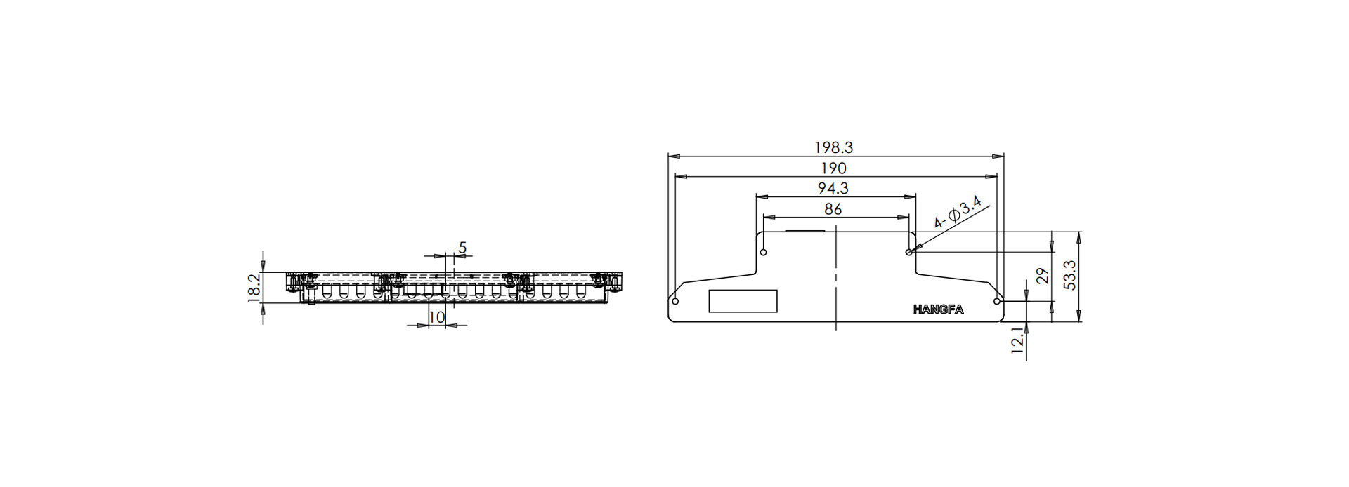
外形尺寸

规格参数
LPC-16R LPC-16G LPC-16B 光源颜色 红色 绿色 蓝色 滤光光敏颜色 红色 绿色 蓝色 主体尺寸 190×160×102mm 通信接口 CAN总线、RS232 输入电压 5V 光敏组件数量 16组 光敏组件间距 1cm 环境标定功能 支持 附件 电缆及接线端子、产品资料光盘
典型研究与应用领域
- 机器人平台
- 工业自动化